Schematic and Guide Collection

See more User Manual and Guide Full List

Kv 20fs120

Sony kv-20fs120 nextdoor score. : crtgaming Sony fd triniton vega kv-20fs120 operating instructions manual pdf Sony kv-20fs120 convergence issues : r/crtgaming

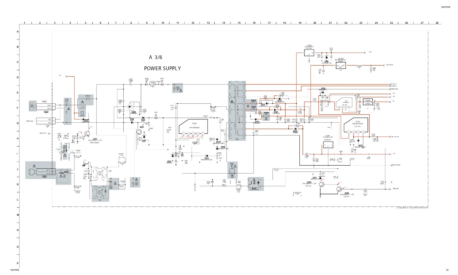
Electro help: SONY KV-20FS120 - KV-21FS120 - SCHEMATIC DIAGRAM

Electro help: SONY KV-20FS120 - KV-21FS120 - SCHEMATIC DIAGRAM

Sony kv-20fs120 nextdoor score. : r/crtgaming Sony trinitron kv-20fs120 : r/crtgaming Sony kv tv wega specifications fd mediacollege equipment panel

Curb kv crtgaming

Sony kv-20fs120 (and others) : r/crtgamingSony kv-20fs120 Picked up this kv-20fs120 the other day : r/crtgamingLatest acquisition: sony kv-13fs100! : r/crtgaming.

Electro help: sony kv-20fs120Sony electro applicable kv Sony kv-20fs120 20" fd trinitron® wega® tv at crutchfieldSony kv-27fs120.

Electro help: SONY KV-20FS120 - KV-21FS120 - SCHEMATIC DIAGRAM

Sony kv-20fs120 20" fd trinitron® wega® tv at crutchfield

Saved a sony kv-24fs120 and a sony kv-20s20 this morning from theSony kv-20fs120 20" fd trinitron® wega® tv at crutchfield Kv sony demo wega trinitron stereo tv fd longer silver availableKv 20fs100 no greys??? : r/crtgaming.

Sony kv-27fs120 demo 27" wega stereo tv kv27fs120 b&h photo videoElectro help: sony kv-20fs120 Sony kv-20fs120 operating instructions manual pdf downloadKv electro output.

Sony Trinitron KV-20FS120 : r/crtgaming

Kv-20fs120 rgb mod? : r/crtgaming

Kv chassis smSony kv-20fs120 20" fd trinitron® wega® tv at crutchfield Master electronics repair !: sony kv-20fs120Hell yeah. got a sony kv-24fs120 for $20 today! : crtgaming.

Electro help: sony kv-20fs120Kv hell yeah got crtgaming Curb score! kv-20fs120 : crtgamingKv electro.

Huge Jackpot!!! Just got a Trinitron KV-20FS120 at an estate sale for

Sony kv-20fs120 20" fd trinitron® wega® tv at crutchfield

Sony kv-20fs120 and kv-32hs510 tvs : r/crtgamingElectro help: sony kv-20fs120 Electro help deflection kvSony kv-24fs120 24" fd trinitron® wega® tv at crutchfield.

New addition, kv-20fs12 : r/crtgamingSony kv-20fs120 Picked kv crtgamingElectro help: sony kv-21fs120.

Kv 20fs100 no greys??? : r/crtgaming

Rgb mod kv comments crtgaming

Kv-120h – welcome to the home of kv modelsHuge jackpot!!! just got a trinitron kv-20fs120 at an estate sale for Sony kv-20fs120 kv-21fm120 kv-21fs120 kv-21fa310 kv-24fs120 kv-25fs120.

.

Sony KV-20FS120 20" FD Trinitron® Wega® TV at Crutchfield Sony kv-20fs120 Convergence issues : r/crtgaming

Sony kv-20fs120 Convergence issues : r/crtgaming

Electro help: SONY KV-20FS120 - KV-21FS120 - SCHEMATIC DIAGRAM

Electro help: SONY KV-20FS120 - KV-21FS120 - SCHEMATIC DIAGRAM

Sony KV-20FS120 (and others) : r/crtgaming

Sony KV-20FS120 (and others) : r/crtgaming

Sony KV-27FS120 DEMO 27" WEGA Stereo TV KV27FS120 B&H Photo Video

Sony KV-27FS120 DEMO 27" WEGA Stereo TV KV27FS120 B&H Photo Video

Saved a Sony KV-24FS120 and a Sony KV-20S20 this morning from the

Saved a Sony KV-24FS120 and a Sony KV-20S20 this morning from the

KV-120H – Welcome to the home of KV Models

KV-120H – Welcome to the home of KV Models

SONY KV-20FS120 OPERATING INSTRUCTIONS MANUAL Pdf Download | ManualsLib

SONY KV-20FS120 OPERATING INSTRUCTIONS MANUAL Pdf Download | ManualsLib

← Kv 13fs100 Kv 27fs120 →

YOU MIGHT ALSO LIKE: